接收光器件
首页  >  产品中心  >  光通信  >  接收光器件
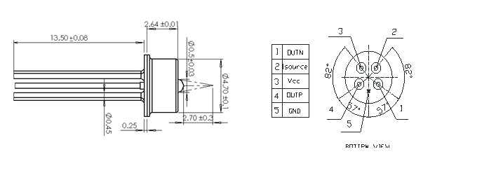
02.J.02SINENTB

02.J.02SINENTB

Package:TO-46

Long wavelength operation

Data rate up to 2.5Gbps

3.3V low-voltage operation

Internal AGC Circuit,differential output

Excellent reliability,meeting EU RoHS requirements

  • 产品应用
  • 产品结构
  • 性能参数

应用于接入网、无线网、传输网、数据中心等领域。

456.jpg

789.jpg