发射光器件
首页  >  产品中心  >  光通信  >  发射光器件
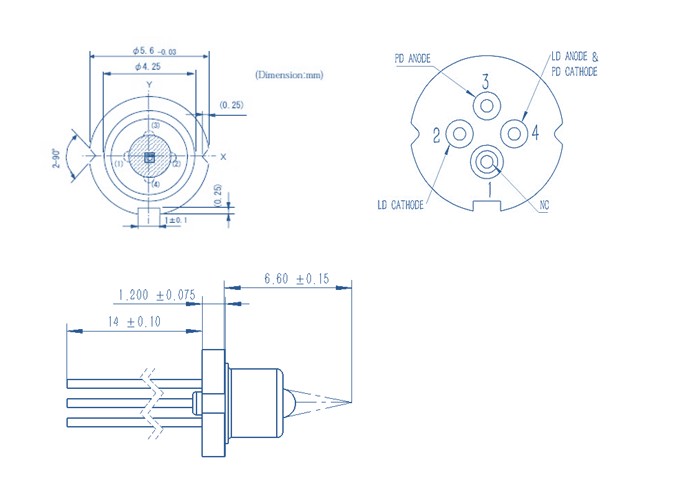
01.J.02D31GTTD

01.J.02D31GTTD

Package:TO-56

Ball lens cap

Excellent reliability

Built-in photodiode monitor

High power over wide temperature range

  • 产品应用
  • 产品结构
  • 性能参数

应用于接入网、无线网、传输网、数据中心等领域。

7788.jpg

2013.jpg