云开体育app登录
适用于平板背光源产品
发光颜色:白光
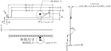
灯珠封装:3006(0.6T)
贴装精度:共线性 0.10mm MAX
导光板厚度适用:0.6T Typ
平板背光源(7″-12.5″)。
1.灯珠驱动电流:20mA typ/ea
2.灯珠驱动电压:3V typ/ea
3.模组色域:80% Min
4.LED焊接强度:1.5KG Min。
OD15-22产品系列
01.JL.E215H4414-217BS-R7P
01.JL.E15696206-067AS-R7P
OD25-30产品系列
01.JL.E490x2414-078AL&R-R8P
01.JL.E09766306-155AS-R8P
OD35-40产品系列
01.JL.E05072304-217AS-R9P