红外系列
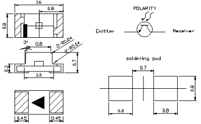
封装尺寸:1.6*0.8*0.7mm
反应速度快 (>10us)
灵敏度高
可靠性高
感光波长范围:700~1100nm(滤可见光)
1、红外应用系统;
2、光学触控接收端;
3、位置感知系统。
4、光遮断系统。
VS0402C-W0940
VCPD4238-3D TOF
PT0603B
IR0603C-W0940
VS3535-TOF
PT0603C
IR0805C-W0940
VCPD3532-3D TOF