车内LED器件
首页  >  产品中心  >  车用LED  >  车内LED器件
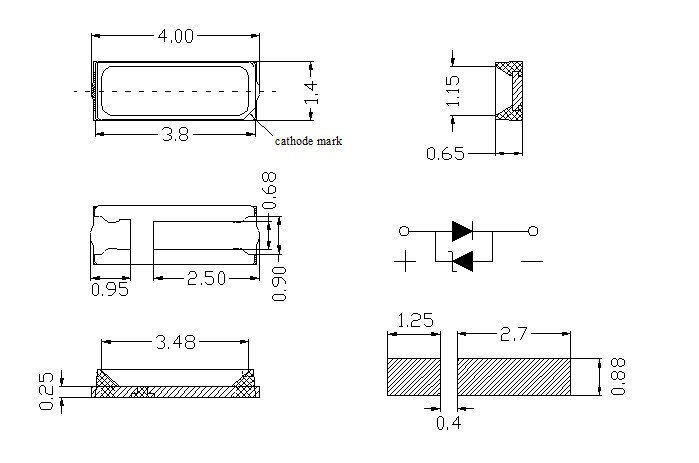
01.JA.ZC4014W65P01

01.JA.ZC4014W65P01

封装尺寸:4.0*1.4*0.65mm

发光颜色:白光

适用于所有的SMT组装和焊接工艺

内置防静电保护装置

符合AEC-Q102标准

  • 产品应用
  • 产品结构
  • 性能参数
  • 技术下载

1LCD背光源;

2、汽车内饰;

3、一般应用。


4014.jpg

01.JA.ZC4014W65P01.jpg

1.规格书



​2.光线分布数据



3.3D数据



4.电路仿真