云开体app官网入口
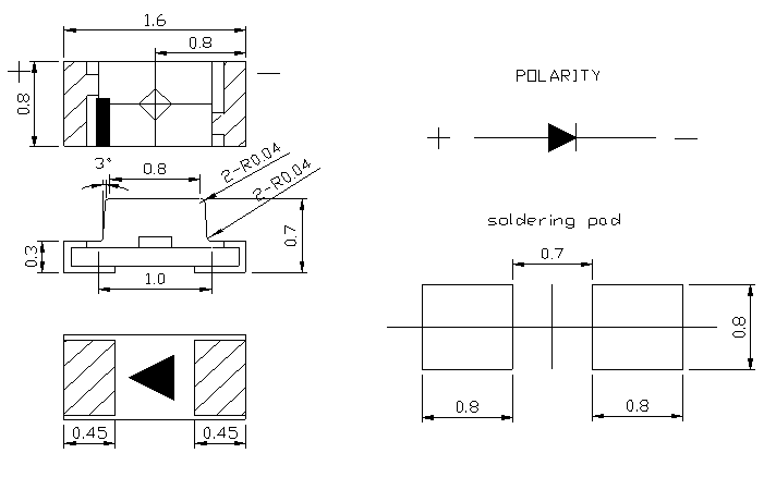
封装尺寸:1.6*0.8*0.7mm
发光角度大
发光效率高
可靠性高
发光颜色:红光
1、工控背光;
2、指示灯;
3、一般应用。
01.JP.ZC4010W65P00
01.JB.11A2204W65P03
01.JH.CBEB2ZD-D
01.JB.CD4010W65P01
01.JB.11A2204W70P00
01.JH.CBEB2CW-D
01.JB.CC4014W75P00
01.JB.11A2204W90P00