SIDE侧发光LED器件
01.JB.CAS306W65P03

01.JB.CAS306W65P03

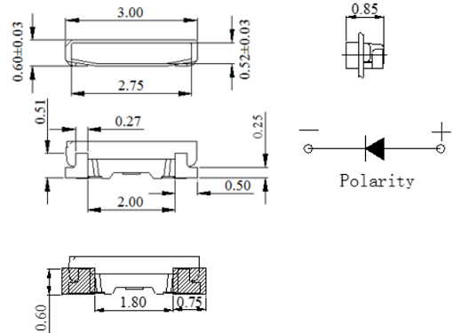
封装尺寸:3.0*0.85*0.6mm

发光颜色:白光

适用于所有的SMT组装和焊接工艺

防潮等级Level3

包装每卷1000~4000PCS

  • 产品应用
  • 产品结构
  • 性能参数

1.手机、平板电脑和笔记本电脑等产品背光源;

2.智能穿戴设备用灯;

3.一般应用。


图片1.png

图片1.png